











2618-AMF
Fedesa Coral Air - стоматологическая установка с нижней/верхней подачей инструментов в базовой комплектации
Доступен для заказа
Fedesa Coral Air - это простая, эффективная и недорогая установка, проверенная временем.
Это лучший выбор для небольшой клиники, которая нуждается в многофункциональном и гигиеничном стоматологическом оборудовании европейского производства. Идеальное сочетание цены и качества.
Преимущества:
- Все мелочи приняты во внимание при создании многофункциональной установки.
- Возможен выбор опций для усовершенствования.
- Дизайн идеален для работы в четыре руки, разработан с учетом гигиенических требований стоматологических учреждений.
- Анатомическая форма кресла гарантирует комфорт пациенту и уменьшает рабочую нагрузку врача.
Базовая комплектация:
- Варианты исполнения для правшей и левшей
- Верхняя/нижняя подача инструментов на выбор
- Пустер вода-воздух трехфункциональный
- Два выхода для турбинного наконечника без оптики
- Две дополнительных ячейки для подключения инструмента
- Панель управления перемещениями кресла, функциями блока врача, светильником, наполнением стакана и плевательницей
- Подвижный столик со съемным автоклавируемым лотком
Элемент ассистента:
- Панель управления функциями установки
- Шланг слюноотсоса
- Шланг мощного пылесоса
Кресло пациента:
- Боковое крепление подъемного механизма создает эффект «плавающего» кресла и позволяет опускаться максимально низко от пола
- Электромеханический привод
- 3 индивидуально программируемые положения
- 3 стандартных положения: положение полоскания рта, последнее рабочее положение, возврат в положение «0»
- Система безопасности опускания кресла и спинки
- Подголовник с механической блокировкой, артикуляцией по трем осям и возможностью перестройки для детского приема
- Моющаяся, износостойкая, бесшовная обивка
- Один подлокотник
Гидроблок:
- Съемная плевательница из закаленного стекла
- Система автономной подачи воды на инструменты
- Функция наполнения стакана с регулируемым временем срабатывания
- Функция омывания плевательницы
Педаль «лягушка»:
- Включение и регулировка скорости оборотов инструментов
- Тумблер выбор воды на инструмент
- Функция Chip Blower для продува шлангов инструментов
Светильник галогенный FARO EDI:
- Плавное регулирование силы освещения от 8000 до 25000 Lux
- Цветовая температура 5000 K
- Однородное световое поле
- Легко заменяемая галогенная лампа, 95 W, Напряжение 17V 50/60 Hz
- Ручки съемные и стерилизуемые при 135°C
- Система гибкого позиционирования по трем осям
Брошюра стоматологическая установка Fedesa Coral Air (скачать)
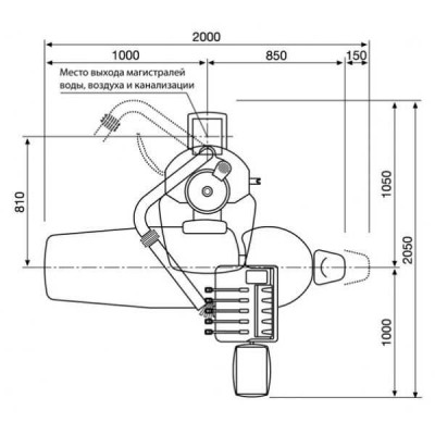
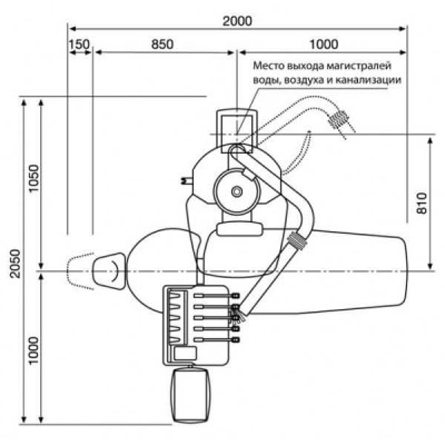
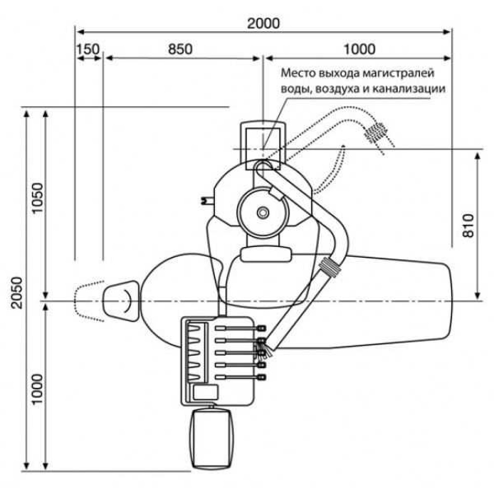
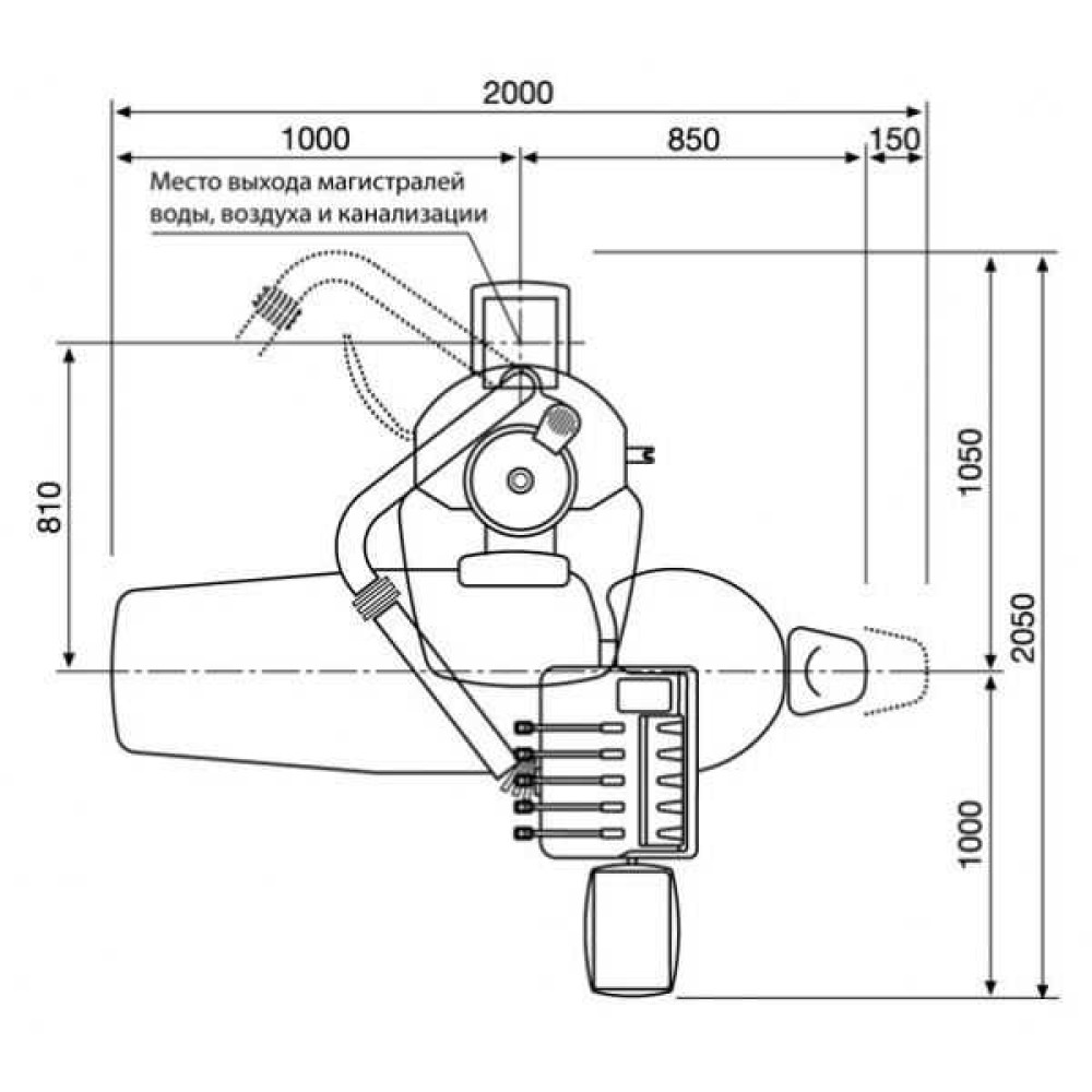
Технические характеристики
- Страна производителя
- Испания
- Количество инструментов
- 3
- Кресло пациента
- Электромеханическое
- Подача инструментов
- На выбор
- Тип гидроблока
- Эжекторный
- Оплата наличными или картой при самовывозе в Санкт-Петербурге
- Оплата наличными при курьерской доставке в Санкт-Петербурге
- Безналичным переводом для юр. лиц
- Оплата в отделении банка по счету
Подробная информация в Способы оплаты
- Самовывоз в Санкт-Петербурге
- Курьерская доставка
- Транспортными компаниями по Москве и России
- Самовывоз или доставка заказов СДЭК
Подробная информация о доставке в Информация о доставке
Наш магазин гарантирует качество товаров. Подробнее о гарантии
Наши преимущества
Стоматологический кабинет под ключ
Рекомендуемые товары















Нет отзывов об этом товаре.